Home › Unlabelled ›
2004 Dodge Stratus Thermostat Location - 04 Dodge Stratus 2 7 Engine Diagram Heater Core 2000 Gmc Jimmy Engine Diagram 2005ram Tukune Jeanjaures37 Fr : It's at the end of the upper radiator hose but is hardly ever really the problem, whatever problem you're having, besides finding the thermostat.
2004 Dodge Stratus Thermostat Location - 04 Dodge Stratus 2 7 Engine Diagram Heater Core 2000 Gmc Jimmy Engine Diagram 2005ram Tukune Jeanjaures37 Fr : It's at the end of the upper radiator hose but is hardly ever really the problem, whatever problem you're having, besides finding the thermostat.. Dodge stratus 2004 se how to change a thermostat? These stratus manuals have been provided by our users, so we can't guarantee completeness. I have a 2004 stratus r/t 2.7l v6 that has stumped me. What could the problem be. That is the minimum operating temperature for the engine so 200 deg f is normal.
Search our online thermostat catalog and find the lowest priced discount auto parts on the web. My dad has a 2004 dodge stratus se that he purchased a little bit ago from a government auction. Dodge 2005 stratus sedan automobile owner's manual (293 pages). If it's a chrysler engine the thermostat is located just below radiator cap. Only the correct type thermostat.
For 2001 2006 Dodge Stratus Thermostat Housing 13187mn 2002 2003 2004 2005 Ebay from i.ebayimg.com Why is my dodge stratus es 2.5l v6 overheating after changing thermostat. These stratus manuals have been provided by our users, so we can't guarantee completeness. This is a brand new, high quality direct fit oe style thermostat housing. Dodge 2004 stratus sedan automobile owner's manual. Corresponds to oem & part numbers. Ma = code representing the tire manufacturing location.(2 digits) l9 = code representing the tire size.(2 digits) abcd =. It is setting a obdii code 1494 which isn't on my list for 2004 dodge stratus cars. I have 2000 dodge stratus se auto trans chrysler 2.0 4 cyl.
2004 dodge stratus & sedan service shop repair manual diagnostics 04.
Dodge 2005 stratus sedan automobile owner's manual (293 pages). The thermostat is under the housing where the upper radiator hose attaches to the engine on a 2.4 liter dodge stratus. Great savings & free delivery / collection on many items. These stratus manuals have been provided by our users, so we can't guarantee completeness. Thermostat housing was repalced on 2004 dodge stratus but is stil leaking from a hose. Replacing thermostat for 2004 dodge stratus? 2004 dodge stratus sedan owner owner's manual user guide sxt r/t se es 2.4l 2.7l. Ma = code representing the tire manufacturing location.(2 digits) l9 = code representing the tire size.(2 digits) abcd =. What could the problem be. I think it has something to do with the fuel system or fuel … read more. That is the minimum operating temperature for the engine so 200 deg f is normal. What is an engine cooling system thermostat and how does it work? I have a 2004 stratus r/t 2.7l v6 that has stumped me.
The thermostat is under the housing where the upper radiator hose attaches to the engine on a 2.4 liter dodge stratus. 2004 dodge stratus 2.4l spark plugs and oil change. Why is my dodge stratus es 2.5l v6 overheating after changing thermostat. If it's a chrysler engine the thermostat is located just below radiator cap. Other designs may result in unsatisfactory cooling performance, poor gas mileage, and increased emissions.
Chrysler Sebring Questions 2004 Chysler Sebring Coolant Temp Sensor Location Cargurus from static.cargurus.com These stratus manuals have been provided by our users, so we can't guarantee completeness. My dad has a 2004 dodge stratus se that he purchased a little bit ago from a government auction. Ma = code representing the tire manufacturing location.(2 digits) l9 = code representing the tire size.(2 digits) abcd =. This is a brand new, high quality direct fit oe style thermostat housing. Maintenance & repairs · 1 decade ago. Replacing thermostat for 2004 dodge stratus? 2004 dodge stratus 2.4l spark plugs and oil change. We've checked the years that the manuals cover and we have dodge stratus repair manuals for the following years.
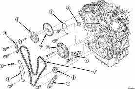
Where is the location of the thermostat on a 2004 stratus on the 4 cylinders it is wher ethe upper hose hooks to the engine.
I have 2000 dodge stratus se auto trans chrysler 2.0 4 cyl. It's at the end of the upper radiator hose but is hardly ever really the problem, whatever problem you're having, besides finding the thermostat. These stratus manuals have been provided by our users, so we can't guarantee completeness. Currently trying to make sure i don't overheat or get stranded. Do these parts fit your vehicle? We have 26 dodge stratus manuals covering a total of 11 years of production. This is a brand new, high quality direct fit oe style thermostat housing. We offer a full selection of genuine dodge stratus thermostat housings, engineered specifically to restore factory performance. The thermostat location is at the end of the upper radiator hose inside of the housing on the engine. I think it has something to do with the fuel system or fuel … read more. I bought it for $300 out off someone's yard, so minus a few things, it's been well worth the $300, has been very 2004 dodge stratus se sedan fwd for sale. Dodge stratus 2004 se how to change a thermostat? C $ enter minimum price to c $ enter maximum price.
We offer a full selection of genuine dodge stratus thermostat housings, engineered specifically to restore factory performance. Dodge stratus 2004 se how to change a thermostat? Search our online thermostat catalog and find the lowest priced discount auto parts on the web. If mitsubishi diamond star engine it's located on the cylinder head , beside the air cleaner housing. The thermostat is under the housing where the upper radiator hose attaches to the engine on a 2.4 liter dodge stratus.
Dodge Stratus Questions Dodge Stratus 2000 Replacing The Thermostat Cargurus from static.cargurus.com Why is my dodge stratus es 2.5l v6 overheating after changing thermostat. Dodge stratus replacement thermostat information. 2004 dodge stratus & sedan service shop repair manual diagnostics 04. The thermostat is under the housing where the upper radiator hose attaches to the engine on a 2.4 liter dodge stratus. The car is in awesome condition, besides the fact that it has 70,000+ miles (all highway, used by military recruiters state to state). These stratus manuals have been provided by our users, so we can't guarantee completeness. Other designs may result in unsatisfactory cooling performance, poor gas mileage, and increased emissions. 2004 dodge stratus 2.4l spark plugs and oil change.
I have a 1994 dodge stratus 2.7l and i have not been able to locate the thermostat.
I think it has something to do with the fuel system or fuel … read more. Dodge 2005 stratus sedan automobile owner's manual (293 pages). Why is my dodge stratus es 2.5l v6 overheating after changing thermostat. It is setting a obdii code 1494 which isn't on my list for 2004 dodge stratus cars. Corresponds to oem & part numbers. Great savings & free delivery / collection on many items. Replacing thermostat for 2004 dodge stratus? Ma = code representing the tire manufacturing location.(2 digits) l9 = code representing the tire size.(2 digits) abcd =. Other designs may result in unsatisfactory cooling performance, poor gas mileage, and increased emissions. 2004 dodge stratus 2.4l spark plugs and oil change. If mitsubishi diamond star engine it's located on the cylinder head , beside the air cleaner housing. Maintenance & repairs · 1 decade ago. This is a brand new, high quality direct fit oe style thermostat housing.